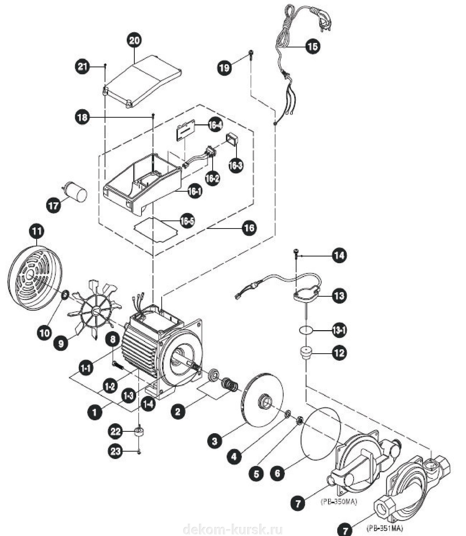
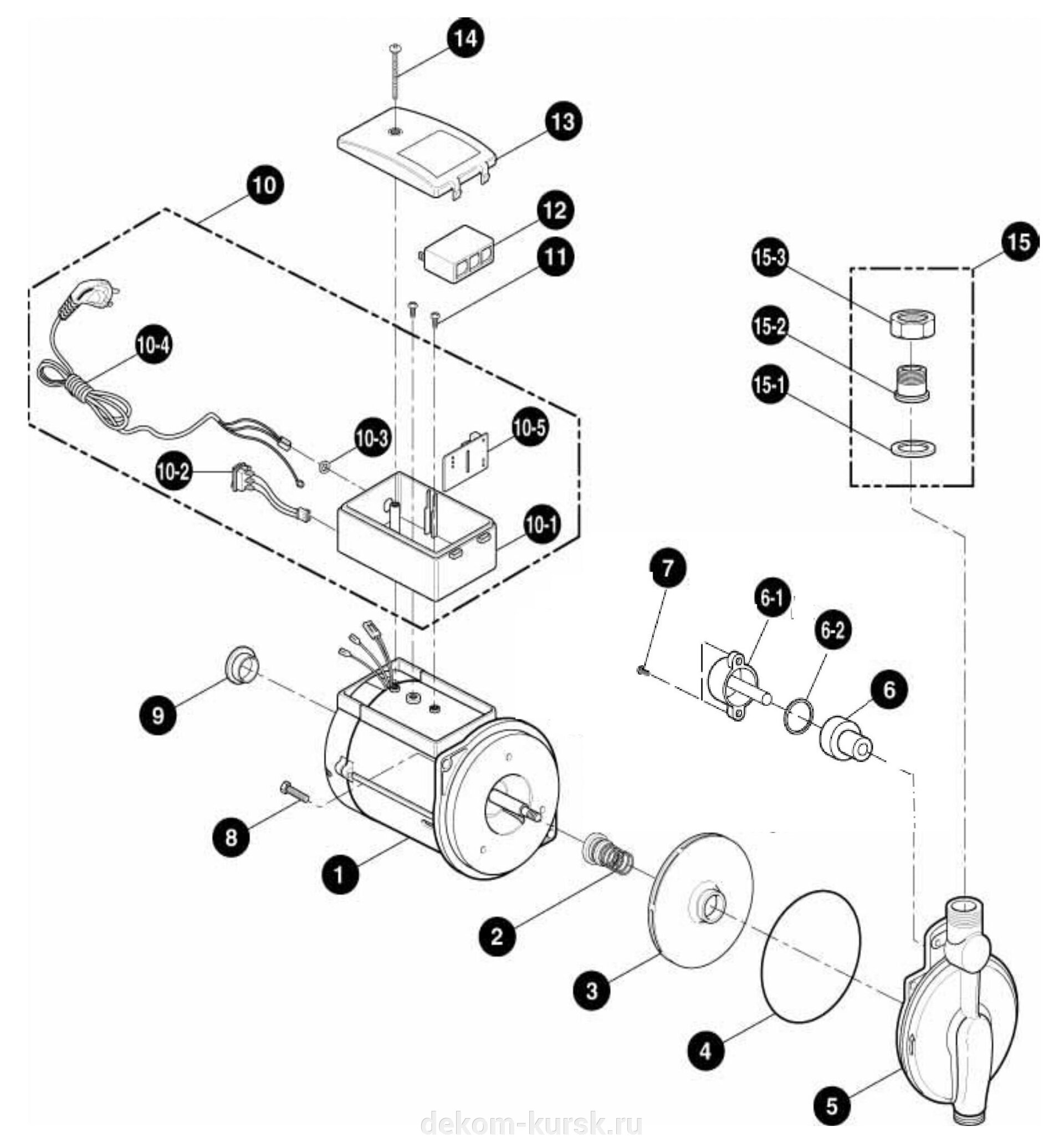
Как правильно выбрать и установить сальник для насоса Wilo PB 088EA

Сальник для насоса Wilo PB 088EA является важной деталью, обеспечивающей эффективную и безопасную работу насосной системы. В этой статье вы найдете полезные советы по выбору и установке сальника для насоса Wilo PB 088EA.


При выборе сальника для насоса Wilo PB 088EA обратите внимание на его тип и материал изготовления. Убедитесь, что выбранный сальник подходит для конкретной модели насоса.

b2eb39bf

РАЗБИРАЮ ПОВЫСИТЕЛЬНЫЙ НАСОС Wilo PB-088EA сухой ротор и НАСОС VALFEX UPA 15-90 G мокрый ротор

Перед установкой сальника для насоса Wilo PB 088EA рекомендуется тщательно очистить поверхности, на которых будет располагаться сальник. Это поможет обеспечить надежное и герметичное соединение.

Насос повышения давления. Установка на ХВС.

Для длительного срока службы сальника для насоса Wilo PB 088EA регулярно проводите профилактический осмотр и чистку. Это позволит избежать непредвиденных поломок и продлить срок его работы.

Повышаем давление воды. Обзор насоса BELAMOS BRS 15-90A. Магазин Все инструменты.

При установке сальника для насоса Wilo PB 088EA следуйте рекомендациям производителя. Неправильная установка может привести к утечке и повреждению насосной системы.

PB-088ЕА — насос с сухим ротором для повышения давления в системе водоснабжения

Не забывайте проверять состояние сальника для насоса Wilo PB 088EA. Если вы заметили признаки износа или повреждения, замените его немедленно, чтобы избежать серьезных проблем с насосом.

Ремонт насоса подъёма давления в водопроводе WILLO# Датчик сухого хода#

При использовании сальника для насоса Wilo PB 088EA важно следить за его смазкой. Убедитесь, что сальник достаточно смазан, чтобы избежать трения и износа деталей системы.

Для удобства выбора сальника для насоса Wilo PB 088EA обратитесь к специалистам или консультантам. Они помогут вам определить правильный тип и размер сальника, основываясь на характеристиках вашей насосной системы.

Не забывайте о правильном хранении сальника для насоса Wilo PB 088EA. Храните его в сухом и прохладном месте, далеко от прямых солнечных лучей и химических веществ, чтобы сохранить его работоспособность.

При монтаже сальника для насоса Wilo PB 088EA убедитесь в его надежном креплении. Правильная фиксация сальника поможет избежать его смещения или отвинчивания в процессе работы насоса.

Не забывайте проводить регулярную проверку состояния сальника для насоса Wilo PB 088EA. Это поможет выявить проблемы на ранней стадии и принять меры по их устранению, что обеспечит более надежную и эффективную работу всей системы.

Раздел: Насосы